• PRODUITS (64)
  • CATALOGUE (1)
  • LIVRES BLANCS

  • ACTUALITÉS

  • Suggestion d’offres
  • 0 résultat. Vouliez-vous dire ?
  • Suggestion de catégories
  • 0 résultat. Vouliez-vous dire ?
  • Suggestion d'entreprises
  • 0 résultat. Vouliez-vous dire ?
  • Suggestion d’offres
  • 0 résultat. Vouliez-vous dire ?
  • Suggestion de catégories
  • 0 résultat. Vouliez-vous dire ?
  • Suggestion d'entreprises
  • 0 résultat. Vouliez-vous dire ?
Aide
Exposer mes produits
Mon compte

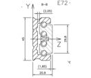
Rails de guidage linéaire Acier E72

Guidage linéaire à billes

“ Rail vendu individuellement Guidage linéaire à recirculation de billes - Système compact - Longue durée de vie - Acier étiré à froid - Capacité de charge élevé - Un ou plusieurs patins par rail - Coupe du rail à la demande - Très resistant - Fiabilité - RoHS ”
Demander un devis
Recevoir de la documentation Contacter le fournisseur
Les rails de guidage linéaire E72 en acier sont d'une polyvalence incroyable, capables de s'adapter à des besoins très spécifiques dans de nombreux domaines industriels grâce à leurs caractéristiques modulables. Avec leur capacité de charge élevée allant jusqu'à 300kg par rail, ils sont solides et fiables pour une performance exceptionnelle.

1. Le premier avantage notable de ces rails de guidage est leur robustesse. Fabriqués en acier étiré à froid, ils assurent une capacité de charge pouvant aller jusqu'à 300kg par rail, offrant ainsi une excellente durabilité et une longue durée de vie.

2. Deuxième point fort, ils sont conçus pour s'intégrer aisément dans vos projets industriels grâce à leur système compact. Leur taille varie de 300mm à 2000mm, ce qui permet une adaptation précise à vos besoins et à l'espace disponible.

3. Les rails de guidage E72 se distinguent également par leur réelle modularité, grâce à la possibilité d'adapter leur système de roulement à billes avec d'autres billes (inox) pour des utilisations spécifiques. Ils allient donc efficacité et flexibilité.

4. Enfin, ces rails de guidage peuvent être personnalisés en termes de traitement de surface et de système de montage, selon vos besoins et projets. Que les sections soient soumises à de hautes contraintes ou non, les patins en acier durci par nitruration ou en plastique garantissent une fiabilité sans faille.

Pour plus de détails techniques tels que le nombre de patins, le type de roulement ou encore les options de montage et de surface, vous pouvez consulter la fiche technique de ce produit phare sur le site de CHAMBRELAN GLISSIERES A BILLES et RAILS DE GUIDAGE INDUSTRIELS. N'attendez plus, équipez-vous du rail de guidage linéaire E72 en acier pour optimiser la performance et la longévité de vos mécanismes.

Type : Rails de guidage linéaire à billes E72 G70 - G70HT / G72 - G72HT Matériau : Acier Capacité de charge par rail : Jusqu'à 300kg Longueur standard du rail : 300mm à 2000mm Traitement du métal : Acier étiré à froid Type de roulement : Billes à recirculation Nombre de patins : Variable (un par défaut, possibilité d'augmenter pour une capacité de charge accrue) Montage : Adaptables selon vos projets
Télécharger la fiche technique complète

Automobile Aérospatiale Robotique Logistique Emballage Textile

AUTRES PRODUITS GUIDAGE LINÉAIRE À BILLES DE CHAMBRELAN GLISSIERES A BILLES et RAILS DE GUIDAGE INDUSTRIELS

Tous les produits guidage linéaire à billes de CHAMBRELAN GLISSIERES A BILLES ET RAILS DE GUIDAGE INDUSTRIELS

LES INTERNAUTES ONT AUSSI CONSULTÉ SUR LA CATÉGORIE GUIDAGE LINÉAIRE À BILLES

Tous les produits de la catégorie guidage linéaire à billes

Consultez également

Guidage linéaire Guidage lineaire à galets Guidage linéaire à rouleaux croisés Accessoires pour guidage linéaire

Acheteurs

Trouvez vos prestataires Faites votre demande, puis laissez nos équipes trouver pour vous les meilleures offres disponibles.

Fournisseurs

Trouvez vos futurs clients Référencez vos produits et services pour améliorer votre présence sur le web et obtenez des demandes qualifiées.
Demander un devis