• PRODUITS (64)
  • CATALOGUE (1)
  • LIVRES BLANCS

  • ACTUALITÉS

  • Suggestion d’offres
  • 0 résultat. Vouliez-vous dire ?
  • Suggestion de catégories
  • 0 résultat. Vouliez-vous dire ?
  • Suggestion d'entreprises
  • 0 résultat. Vouliez-vous dire ?
  • Suggestion d’offres
  • 0 résultat. Vouliez-vous dire ?
  • Suggestion de catégories
  • 0 résultat. Vouliez-vous dire ?
  • Suggestion d'entreprises
  • 0 résultat. Vouliez-vous dire ?
Devenir fournisseur
Aide
Mon compte

Rails de guidage linéaire Acier E48

Guidage linéaire à billes

“ Rail vendu individuellement Guidage linéaire à recirculation de billes - Système compact - Longue durée de vie - Acier étiré à froid - Capacité de charge élevé - Un ou plusieurs patins par rail - Coupe du rail à la demande - Très resistant - Fiabilité - RoHS ”
Demander un devis Recevoir de la documentation Contacter le fournisseur
Découvrez les Rails de guidage linéaire en Acier E48, des produits industriels robustes et fiables conçus pour répondre à une large gamme de besoins. Ces rails durables et compacts avec des patins en acier durci par nitruration sont idéals pour diverses applications, des machines automatiques aux transports et au médical.

1.Compacité et Durabilité : Les rails de guidage linéaire E48 sont non seulement compacts, permettant une intégration harmonieuse dans les espaces confinés, mais ils sont également fabriqués avec de l'acier étiré à froid, garantissant ainsi une longévité et une résistance à l'usure exceptionnelles.
2.Capacité de charge élevée : Avec une capacité de charge allant jusqu'à 240 kg par rail, ces rails peuvent facilement supporter les charges lourdes. Cela est rendu possible grâce à l'ajout de plusieurs patins en acier durcis par nitruration, permettant ainsi une augmentation proportionnelle de la charge admissible.
3.Adaptabilité : La longueur des Rails de guidage linéaire E48 peut être adaptée à la demande, allant de 300 mm à 2000 mm. Ils peuvent également être adaptés en termes de traitement de surface ou de montage avec d'autres billes en acier inoxydable, offrant ainsi des solutions personnalisées pour répondre exactement aux besoins de votre entreprise.
4.Conformité aux normes RoHS et Fiabilité : Ces rails sont non seulement conformes aux normes environnementales RoHS, mais leur conception et leur fabrication garantissent aussi une grande fiabilité. Ils sont très résistants aux chocs et aux vibrations, assurant ainsi un fonctionnement fluide dans diverses conditions industrielles.

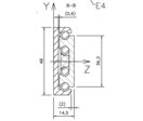
Les caractéristiques techniques des Rails de guidage linéaire E48 incluent un matériau en Acier, une longueur standard de 300 mm à 2000 mm, une charge par rail allant jusqu'à 240 kg, un traitement de surface zingué ainsi qu'une coupe à la demande du client.

Veuillez noter que les informations fournies ci-dessus sont spécifiques à la variante en acier des rails de guidage linéaire E48. D'autres variantes pourraient être disponibles, et nous vous recommandons de vérifier les spécifications du produit avant de passer commande.

Rendez-vous sur notre site pour obtenir plus d'informations sur nos rails en acier E48 et avoir accès à la fiche technique et à la CAO téléchargeables à partir du lien suivant : http://www.chambrelan.com/E48.

Matériau : Acier Longueur standard : 300 mm à 2000 mm Charge par rail : Jusqu'à 240 kg Type : Rail de guidage linéaire à billes Traitement de surface : Zingué Montage : Avec d'autres billes (inox) possible Coupe : Rail coupé à la demande Applications : Industrie, machines automatiques, médical, portes coulissantes, transports (ferroviaire, automobile, aéronautique)
Télécharger la fiche technique complète

Industrie Automobile Aéronautique Médical Ferroviaire Machines

AUTRES PRODUITS GUIDAGE LINÉAIRE À BILLES DE CHAMBRELAN GLISSIERES A BILLES et RAILS DE GUIDAGE INDUSTRIELS

Tous les produits guidage linéaire à billes de CHAMBRELAN GLISSIERES A BILLES ET RAILS DE GUIDAGE INDUSTRIELS

LES INTERNAUTES ONT AUSSI CONSULTÉ SUR LA CATÉGORIE GUIDAGE LINÉAIRE À BILLES

Tous les produits de la catégorie guidage linéaire à billes

Consultez également

Guidage linéaire Guidage lineaire à galets Guidage linéaire à rouleaux croisés Accessoires pour guidage linéaire

Acheteurs

Trouvez vos prestataires Faites votre demande, puis laissez nos équipes trouver pour vous les meilleures offres disponibles.

Fournisseurs

Trouvez vos futurs clients Référencez vos produits et services pour améliorer votre présence sur le web et obtenez des demandes qualifiées.