• PRODUITS (64)
  • CATALOGUE (1)
  • LIVRES BLANCS

  • ACTUALITÉS

  • Suggestion d’offres
  • 0 résultat. Vouliez-vous dire ?
  • Suggestion de catégories
  • 0 résultat. Vouliez-vous dire ?
  • Suggestion d'entreprises
  • 0 résultat. Vouliez-vous dire ?
  • Suggestion d’offres
  • 0 résultat. Vouliez-vous dire ?
  • Suggestion de catégories
  • 0 résultat. Vouliez-vous dire ?
  • Suggestion d'entreprises
  • 0 résultat. Vouliez-vous dire ?
Aide
Exposer mes produits
Mon compte
  • PRODUITS (64)
  • CATALOGUE (1)
  • LIVRES BLANCS

  • ACTUALITÉS

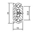
Rails de guidage linéaire Acier E53

Guidage linéaire à billes

“ Guidage linéaire à recirculation de billes - Rail vendu individuellement - Système compact - Longue durée de vie - Acier étiré à froid - Capacité de charge élevé - Un ou plusieurs patins par rail - Coupe du rail à la demande - Très résistant - Fiabilité - RoHS ”
Demander un devis
Recevoir de la documentation Contacter le fournisseur
D'une robustesse incontestable et d'une précision exemplaire, les rails de guidage linéaire Acier E53 sont vos alliés dans la réalisation de vos projets industriels. Créés pour répondre aux besoins exigeants de l'industrie, ces composants sont doués d'une grande capacité de charge, et vous assurent une durabilité exceptionnelle.

1.Flexibilité d'adaptation : Adaptés à vos besoins spécifiques, les rails de guidage linéaire Acier E53 peuvent être personnalisés, tant au niveau du traitement de surface que du montage avec d'autres billes (inox). Vous pouvez ainsi les adapter à vos exigences, pour un ajustement parfait.

2.Résistance et fiabilité : Conçus avec de l'acier étiré à froid, ces rails sont non seulement robustes mais aussi fiables. Ils offrent une capacité de charge élevée qui peut atteindre jusqu'à 170 kg par rail, de quoi soutenir vos charges industrielles sans faille.

3.Mouvement précis et fluide : Grâce à leur système à recirculation de billes, ces rails garantissent un mouvement linéaire précis et fluide. Ils sont donc idéaux pour les applications qui requièrent une grande précision, vous garantissant une performance optimale à chaque utilisation.

4.Longévité remarquable : Dotés d'une conception robuste et d'un traitement de surface efficace, ces rails Acier E53 ont une excellente durée de vie. Ils nécessitent peu de maintenance, vous offrant ainsi un gain de temps et d'argent sur le long terme.

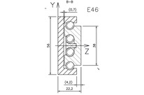
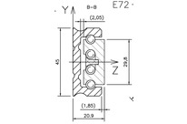
Par ailleurs, les caractéristiques techniques des rails de guidage linéaire Acier E53 sont les suivantes :

- Matériau: Acier
- Longueur: De 300mm à 2000mm
- Capacité de charge: Jusqu'à 170 kg par rail
- Système: Recirculation de billes
- Traitement de surface: Personnalisable
- Montage: Personnalisable
- Norme: ISO 8750 (DIN 7343)

Ces valeurs peuvent varier en fonction du modèle spécifique choisi.

Découvrez dès maintenant les rails de guidage linéaire Acier E53, le choix de l’excellence pour tous vos projets industriels. Leur performance, leur durabilité, leur précision et leur souplesse d'adaptation seront vos meilleurs atouts.

Matériau : Acier Longueur : 300mm à 2000mm Capacité de charge : Jusqu'à 170 kg par rail Système : Recirculation de billes Traitement de surface : Personnalisable Montage : Personnalisable Norme : ISO 8750 (DIN 7343) Conception : Robuste avec traitement de surface pour longue durée de vie
Télécharger la fiche technique complète

Automobile Aérospatiale Robotiques Emballage Médical Manufacturier

AUTRES PRODUITS GUIDAGE LINÉAIRE À BILLES DE CHAMBRELAN GLISSIERES A BILLES et RAILS DE GUIDAGE INDUSTRIELS

Tous les produits guidage linéaire à billes de CHAMBRELAN GLISSIERES A BILLES ET RAILS DE GUIDAGE INDUSTRIELS

LES INTERNAUTES ONT AUSSI CONSULTÉ SUR LA CATÉGORIE GUIDAGE LINÉAIRE À BILLES

Tous les produits de la catégorie guidage linéaire à billes

Consultez également

Guidage linéaire Guidage lineaire à galets Guidage linéaire à rouleaux croisés Accessoires pour guidage linéaire

Acheteurs

Trouvez vos prestataires Faites votre demande, puis laissez nos équipes trouver pour vous les meilleures offres disponibles.

Fournisseurs

Trouvez vos futurs clients Référencez vos produits et services pour améliorer votre présence sur le web et obtenez des demandes qualifiées.
Demander un devis