• PRODUITS (163)
  • CATALOGUES (9)
  • LIVRE BLANC (1)
  • ACTUALITÉS (10)
  • Suggestion d’offres
  • 0 résultat. Vouliez-vous dire ?
  • Suggestion de catégories
  • 0 résultat. Vouliez-vous dire ?
  • Suggestion d'entreprises
  • 0 résultat. Vouliez-vous dire ?
  • Suggestion d’offres
  • 0 résultat. Vouliez-vous dire ?
  • Suggestion de catégories
  • 0 résultat. Vouliez-vous dire ?
  • Suggestion d'entreprises
  • 0 résultat. Vouliez-vous dire ?
Aide
Exposer mes produits
Mon compte

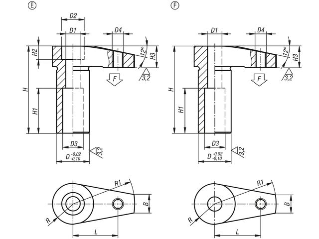
Crochet de bridage à nez long et taraudage

Systèmes de positionnement et serrage

“ Le taraudage permet le soutien et l’adaptation souhaités de la surface de contact. ”
Demander un devis
Recevoir de la documentation Contacter le fournisseur

Il s'agit d'un crochet à nez long, conçu pour intervenir sur des pièces situées en dehors de zones étroites ou de rebords potentiellement fragiles, ce qui le rend particulièrement adapté pour la mise en position de composants délicats ou difficiles d'accès.

Grâce à ses têtes d’appui interchangeables, ce crochet s'adapte de manière optimale aux pièces de fonderie présentant des dépouilles, ainsi qu'aux pièces de formes complexes. Cette fonctionnalité garantit un serrage efficace et sécurisé, même pour des géométries particulièrement exigeantes.

L’un des principaux avantages réside dans la possibilité pour l'utilisateur de choisir le type de revêtement d’appui le plus adapté à ses besoins spécifiques. En fonction de la pièce à manipuler, il peut sélectionner parmi plusieurs options telles que : empreinte plate, empreinte striée, picots avec plat, revêtement strié en carbure ou diamanté, etc. Ce large choix permet d'assurer une prise optimale tout en protégeant la pièce contre l'usure prématurée.

Enfin, le crochet permet un ajustement précis de la hauteur de bridage. En combinant cet ajustement avec le bon revêtement d’appui, il est possible de réaliser un serrage plus bas que celui obtenu avec un crochet standard, optimisant ainsi l'efficacité des opérations de fixation tout en préservant l'intégrité des pièces.

AUTRES PRODUITS SYSTÈMES DE POSITIONNEMENT ET SERRAGE DE norelem

Tous les produits systèmes de positionnement et serrage de NORELEM

LES INTERNAUTES ONT AUSSI CONSULTÉ SUR LA CATÉGORIE SYSTÈMES DE POSITIONNEMENT ET SERRAGE

Tous les produits de la catégorie systèmes de positionnement et serrage

Consultez également

Composants mécaniques Moteurs, variateurs Organes de transmission mécanique Roulements, systèmes linéaires Joints industriels Composants et systèmes d'assemblage Vérins mécaniques, actionneurs Systèmes antivibratoires, systèmes...

Acheteurs

Trouvez vos prestataires Faites votre demande, puis laissez nos équipes trouver pour vous les meilleures offres disponibles.

Fournisseurs

Trouvez vos futurs clients Référencez vos produits et services pour améliorer votre présence sur le web et obtenez des demandes qualifiées.
Demander un devis