• PRODUITS (386)
  • CATALOGUE (1)
  • LIVRES BLANCS

  • ACTUALITÉS

  • Suggestion d’offres
  • 0 résultat. Vouliez-vous dire ?
  • Suggestion de catégories
  • 0 résultat. Vouliez-vous dire ?
  • Suggestion d'entreprises
  • 0 résultat. Vouliez-vous dire ?
  • Suggestion d’offres
  • 0 résultat. Vouliez-vous dire ?
  • Suggestion de catégories
  • 0 résultat. Vouliez-vous dire ?
  • Suggestion d'entreprises
  • 0 résultat. Vouliez-vous dire ?
Aide
Exposer mes produits
Mon compte

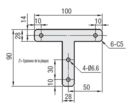
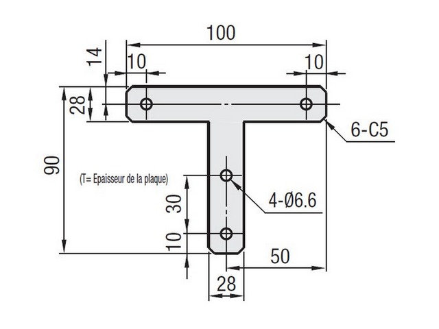
Plaque de fixation en T pour profilés 30x30 fente de 8 mm

Composants et systèmes d'assemblage

Demander un devis
Recevoir de la documentation Contacter le fournisseur
La plaque de fixation en T pour profilés 30x30 fente de 8 mm constitue un élément de choix pour assembler de manière fiable les structures en profilés aluminium. Conçue en acier chromé, elle se distingue par sa durabilité et sa résistance à la corrosion. Cet accessoire essentiel est livré avec l'ensemble de vis et écrous nécessaires pour une installation facile.

1. Simplicité d'utilisation : La plaque de fixation en T se monte et se démonte simplement grâce aux vis et écrous inclus, assurant ainsi un gain de temps considérable lors de l'installation de structures complexes.
2. Robustesse élevée : Fabriquée en acier chromé de haute qualité, cette plaque offre une résistance exceptionnelle aux chocs et à la corrosion, garantissant ainsi la pérennité de vos assemblages.
3. Polyvalence d'application : Conçue pour s'adapter parfaitement aux profilés aluminium de 30x30 mm avec une fente de 8 mm, elle permet d'élargir le champ des possibles en matière de conception de structures modulaires.
4. Esthétique soignée : Sa finition chromée confère une allure moderne et professionnelle à vos installations, renforçant l'impact visuel tout en intégrant discrètement la plaque dans l'ensemble.

Dotée d'atouts significatifs incluant facilité de montage, robustesse éprouvée et finition soignée, la plaque de fixation en T pour profilés offre une solution complète pour tous vos besoins en assemblage. Investissez aujourd'hui dans la sécurité et la durabilité de vos structures avec ce produit à la fois pratique et performant. Pour des détails supplémentaires ou une demande de devis, n'hésitez pas à nous contacter.

Matériau : Acier chromé Épaisseur : 3.2 mm Taille de la fente : 8 mm Visserie : 4x écrous M6 pour fente de 8 mm et 4x vis M6-10 Référence : PL-FIX-T-3030-P8 Compatibilité : Profilés aluminium 30x30mm Résistance : Résistant à la corrosion et aux chocs Facilité d'utilisation : Montage et démontage rapide

Automobile Aérospatiale Énergie Agroalimentaire Construction Mécanique

AUTRES PRODUITS COMPOSANTS ET SYSTÈMES D'ASSEMBLAGE DE SYSTEAL

Tous les produits composants et systèmes d'assemblage de SYSTEAL

LES INTERNAUTES ONT AUSSI CONSULTÉ SUR LA CATÉGORIE COMPOSANTS ET SYSTÈMES D'ASSEMBLAGE

Tous les produits de la catégorie composants et systèmes d'assemblage

Consultez également

Composants mécaniques Moteurs, variateurs Organes de transmission mécanique Systèmes de positionnement et serrage Roulements, systèmes linéaires Joints industriels Vérins mécaniques, actionneurs Systèmes antivibratoires, systèmes...

Acheteurs

Trouvez vos prestataires Faites votre demande, puis laissez nos équipes trouver pour vous les meilleures offres disponibles.

Fournisseurs

Trouvez vos futurs clients Référencez vos produits et services pour améliorer votre présence sur le web et obtenez des demandes qualifiées.
Demander un devis