• PRODUITS (64)
  • CATALOGUE (1)
  • LIVRES BLANCS

  • ACTUALITÉS

  • Suggestion d’offres
  • 0 résultat. Vouliez-vous dire ?
  • Suggestion de catégories
  • 0 résultat. Vouliez-vous dire ?
  • Suggestion d'entreprises
  • 0 résultat. Vouliez-vous dire ?
  • Suggestion d’offres
  • 0 résultat. Vouliez-vous dire ?
  • Suggestion de catégories
  • 0 résultat. Vouliez-vous dire ?
  • Suggestion d'entreprises
  • 0 résultat. Vouliez-vous dire ?
Aide
Exposer mes produits
Mon compte

Glissiere extension totale Acier E1700

Glissières téléscopiques

“ Glissières vendues individuellement - Glissière à extension partielle (+/-100%) - Acier zingué étiré à froid - Très lourdes charges - Coulisse très resistante - Glissière renforcée à flexion réduite - Mouvement fluide - Longue durée de vie - Grande rigidité - Fiabilité - RoHS ”
Demander un devis
Recevoir de la documentation Contacter le fournisseur
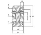
Renforçant considérablement vos installations industrielles, la Glissière Extension Totale Acier E1700 est un équipement de pointe conçu pour apporter une rigidité et une robustesse inégalées. Offrant une extension totale, cette glissière télescopique en acier zingué se compose de trois éléments distincts optimisant son efficacité et sa résistance sur le long terme.

1.Extension totale de haut niveau : L'E1700 tire parti de son design innovant pour assurer un accès complet et facile à tout tiroir ou plateau sur lequel elle est fixée. Que ce soit dans l'ingénierie, les transports, le secteur de la construction, ou tout autre domaine industriel, cette glissière optimise l'accessibilité et facilite l'opérationnalité.

2.Capacité de charge impressionnante : Conçue pour résister, cette glissière hérite d'une capacité de charge allant jusqu'à 550 kg par paire en extension. Ceci est rendu possible grâce à sa construction en acier zingué et à l'inclusion de billes de renfort, qui augmentent considérablement sa résistance face à l'écrasement et aux couples de torsion.

3.Personnalisable à souhait : L'E1700 n'est pas seulement robuste, elle est aussi adaptative. Cette glissière offre une flexibilité de personnalisation en matière de développement, de traitement de surface et de montage. Ainsi, l'E1700 peut être ajustée sur mesure pour répondre à des besoins précis, maximisant ainsi son efficacité dans n'importe quel contexte industriel.

4.Engagée envers l'environnement : Dans le respect des normes environnementales, cette glissière est conforme aux exigences RoHS. Ceci garantit aux utilisateurs un équipement respectueux de l'environnement, tout en offrant une performance de premier ordre.

En plus de ces avantages clés, la Glissière Extension Totale Acier E1700 offre un mouvement régulier et silencieux, garantissant ainsi l'absence de perturbations sonores lors de son utilisation. Sa résistance notable ajoutée à son design intelligent promet une longue durée de vie, garantissant ainsi un investissement à long terme fiable et rentable. Pour conclure, avec son excellent équilibre entre résistance, flexibilité et respect de l'environnement, l'E1700 est sans aucun doute un ajout crucial à votre gamme d'équipements industriels.

Matériau: Acier zingué Type: Glissière télescopique à extension totale Développement: de 500mm à 2000mm Capacité de charge: 550 kg par paire en extension Nombre d'éléments: 3 Finition: Acier zingué Applications: Bâtiment, Industrie, Machines industrielles, Transports (ferroviaire, automobile, aéronautique), Véhicules spéciaux Conformité: RoHS
Télécharger la fiche technique complète

Bâtiment Industrie Machines Transports Automobile Aéronautique

AUTRES PRODUITS GLISSIÈRES TÉLÉSCOPIQUES DE CHAMBRELAN GLISSIERES A BILLES et RAILS DE GUIDAGE INDUSTRIELS

Tous les produits glissières téléscopiques de CHAMBRELAN GLISSIERES A BILLES ET RAILS DE GUIDAGE INDUSTRIELS

LES INTERNAUTES ONT AUSSI CONSULTÉ SUR LA CATÉGORIE GLISSIÈRES TÉLÉSCOPIQUES

Tous les produits de la catégorie glissières téléscopiques

Consultez également

Composants mécaniques Moteurs, variateurs Organes de transmission mécanique Systèmes de positionnement et serrage Roulements, systèmes linéaires Joints industriels Composants et systèmes d'assemblage Vérins mécaniques, actionneurs

Acheteurs

Trouvez vos prestataires Faites votre demande, puis laissez nos équipes trouver pour vous les meilleures offres disponibles.

Fournisseurs

Trouvez vos futurs clients Référencez vos produits et services pour améliorer votre présence sur le web et obtenez des demandes qualifiées.
Demander un devis