norelem
  • PRODUITS (163)
  • CATALOGUES (9)
  • LIVRE BLANC (1)
  • ACTUALITÉS (10)
  • Suggestion d’offres
  • 0 résultat. Vouliez-vous dire ?
  • Suggestion de catégories
  • 0 résultat. Vouliez-vous dire ?
  • Suggestion d'entreprises
  • 0 résultat. Vouliez-vous dire ?
  • Suggestion d’offres
  • 0 résultat. Vouliez-vous dire ?
  • Suggestion de catégories
  • 0 résultat. Vouliez-vous dire ?
  • Suggestion d'entreprises
  • 0 résultat. Vouliez-vous dire ?
Aide
Exposer mes produits
Mon compte
norelem
  • PRODUITS (163)
  • CATALOGUES (9)
  • LIVRE BLANC (1)
  • ACTUALITÉS (10)

Fixations à bride pour ISO 15552 / 21287

Composants et systèmes d'assemblage

“ ”
Demander un devis
Recevoir de la documentation Contacter le fournisseur

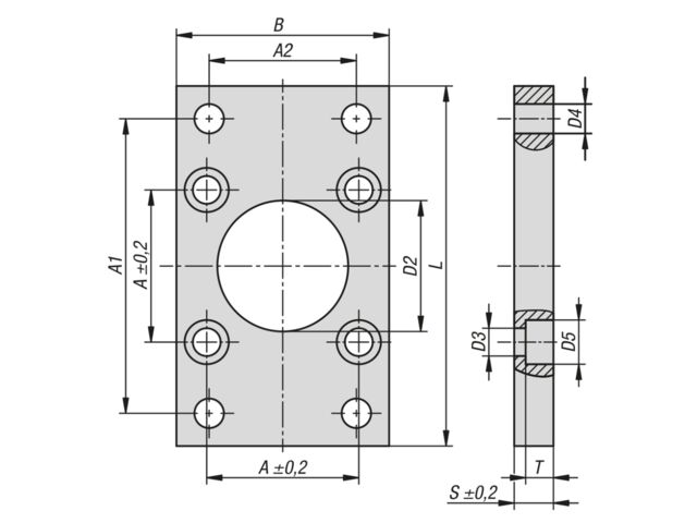
  Fixation à bride pour vérins normalisés et compacts selon les normes DIN ISO 15552 et DIN ISO 21287. Cette fixation à bride sert au montage fixe de vérins pneumatiques.

En règle générale, le vérin pneumatique est monté à l’aide de deux fixations à bride à l’avant et à l’arrière.

Il est toutefois également possible de réaliser le montage avec une seule fixation à bride à l’avant ou à l’arrière.
Fixation à bride pour vérins normalisés et compacts selon les normes DIN ISO 15552 et DIN ISO 21287. Cette fixation à bride sert au montage fixe de vérins pneumatiques.

En règle générale, le vérin pneumatique est monté à l’aide de deux fixations à bride à l’avant et à l’arrière.

Il est toutefois également possible de réaliser le montage avec une seule fixation à bride à l’avant ou à l’arrière.

Matière Acier de traitement. Finition Zingué.
Télécharger la fiche technique complète

AUTRES PRODUITS COMPOSANTS ET SYSTÈMES D'ASSEMBLAGE DE norelem

Tous les produits composants et systèmes d'assemblage de NORELEM

LES INTERNAUTES ONT AUSSI CONSULTÉ SUR LA CATÉGORIE COMPOSANTS ET SYSTÈMES D'ASSEMBLAGE

Tous les produits de la catégorie composants et systèmes d'assemblage

Consultez également

Composants mécaniques Moteurs, variateurs Organes de transmission mécanique Systèmes de positionnement et serrage Roulements, systèmes linéaires Joints industriels Vérins mécaniques, actionneurs Systèmes antivibratoires, systèmes...

Acheteurs

Trouvez vos prestataires Faites votre demande, puis laissez nos équipes trouver pour vous les meilleures offres disponibles.

Fournisseurs

Trouvez vos futurs clients Référencez vos produits et services pour améliorer votre présence sur le web et obtenez des demandes qualifiées.
Demander un devis