• PRODUITS (170)
  • CATALOGUES (5)
  • LIVRES BLANCS

  • ACTUALITÉS

  • Suggestion d’offres
  • 0 résultat. Vouliez-vous dire ?
  • Suggestion de catégories
  • 0 résultat. Vouliez-vous dire ?
  • Suggestion d'entreprises
  • 0 résultat. Vouliez-vous dire ?
  • Suggestion d’offres
  • 0 résultat. Vouliez-vous dire ?
  • Suggestion de catégories
  • 0 résultat. Vouliez-vous dire ?
  • Suggestion d'entreprises
  • 0 résultat. Vouliez-vous dire ?
Aide
Exposer mes produits
Mon compte

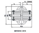
Accouplements élastique à jante polyuréthane, accouplements à bandage, RATHI

Accouplement élastique

Demander un devis
Recevoir de la documentation Contacter le fournisseur
L'Accouplement Élastique à Jante Polyuréthane, conçu par la firme industriellement reconnue, 3 Transmissions, est une pièce maîtresse pour optimiser la transmission de puissance entre des arbres coaxiaux déportés ou non. Fourni dans deux formats (court et long), cet accouplement durable présente des caractéristiques techniques variées assurant adaptabilité et efficacité dans des contextes industriels exigeants.

1. Simplification des procédures d’installation et de maintenance : Cet accouplement propose un design facilitant tant le montage que le démontage. Réduisant considérablement le temps d'immobilisation, l'installation rapide du JawFlex-RTP permet de maintenir les rythmes de production sans compromettre la qualité du travail. Par ailleurs, sa liaison polyuréthane-métal élimine les problèmes courants de montage et de glissement, rendant la maintenance plus aisée.

2. Adaptabilité technologique : Le JawFlex-RTP est conçu pour offrir une grande polyvalence. Avec sept tailles disponibles (de RTP 103 à RTP 357), l'accouplement peut s'adapter à une gamme étendue d'applications, allant des pompes jusqu'aux mélangeurs, en passant par les ventilateurs industriels et les compresseurs. De plus, ses performances techniques peuvent s'adapter aux différentes contraintes de vibrations, de chocs, et de déports.

3. Gestion optimisée des stocks : Les moyeux interchangeables de l'accouplement démontrent l'intelligence du design du JawFlex-RTP. Grâce à eux, le stock devient plus gérable, car les mêmes éléments peuvent être utilisés pour plusieurs applications avec différentes distances entre les arbres. Cette innovation réduit d'autant le besoin de stocker des pièces de tailles différentes pour chaque type d'application.

4. Durabilité exceptionnelle : La durée de vie des équipements est un facteur déterminant dans les coûts opérationnels. Grâce à son élément flexible en torsion, le JawFlex-RTP amortit les charges de choc ainsi que les vibrations, ce qui réduit considérablement l'usure des éléments de transmission. Enfin, le concept de matériau flexible permet d'inspecter visuellement l'équipement en cours de fonctionnement, offrant ainsi une gestion proactive de la maintenance.

En faisant le choix de l'Accouplement Élastique à Jante Polyuréthane JawFlex-RTP, les industriels se donnent les moyens de simplifier leurs opérations, de flexibiliser leurs usages, d'optimiser leur gestion de stock, tout en augmentant la durée de vie de leurs équipements. Rendre le complexe simple et efficace, c'est le pari réussi par 3 Transmissions avec le JawFlex-RTP.

Matériaux: Moyeux en fonte et élément flexible en polyuréthane Formats: Court et long Tailles: Disponibles en 7 tailles (RTP 103 à RTP 357) Puissance: De 0,45 à 26,5 kW à 100 tr/min Couple: De 43 à 2531 Nm Vitesse de rotation: Jusqu'à 7500 tr/min Perçage: De 13 à 31 mm Applications: Pompes, compresseurs, ventilateurs industriels, mélangeurs, etc.
Télécharger la fiche technique complète

Pompes Compresseurs Ventilateurs Mélangeurs Machines Outils TPM (Transmission de Puissance Mécanique)

AUTRES PRODUITS ACCOUPLEMENT ÉLASTIQUE DE 3 TRANSMISSIONS

Tous les produits accouplement élastique de 3 TRANSMISSIONS

LES INTERNAUTES ONT AUSSI CONSULTÉ SUR LA CATÉGORIE ACCOUPLEMENT ÉLASTIQUE

Tous les produits de la catégorie accouplement élastique

Consultez également

Accouplements mécaniques Accouplement flexible Accouplement rigide Accouplement à aimant permanent Accouplement à denture Accouplement à lamelle Accouplement à soufflet métallique

Acheteurs

Trouvez vos prestataires Faites votre demande, puis laissez nos équipes trouver pour vous les meilleures offres disponibles.

Fournisseurs

Trouvez vos futurs clients Référencez vos produits et services pour améliorer votre présence sur le web et obtenez des demandes qualifiées.
Demander un devis